Fax +359 431 62 230 ; +359 431 63 134 | Снимка | Схема | Описание | Код | Qnom (l/min) |
Pmax (bar) |
|
Групов каталог |
|
|||||
Пропорционални разппределители с ел.магнитно управление без обратна връзка.
|
RHP06...-07-F... | 7 | 315 |
|
||
Пропорционални разппределители с ел.магнитно управление без обратна връзка |
RHP10...-...-F... | 38/54 | 315 |
|
||
Пропорционални регулатор на дебит с ел.магнитно управление без обратна връзка.Предназначен за болкове тип SVM06-... |
FRTP06... | 25 | 210 |
|
||
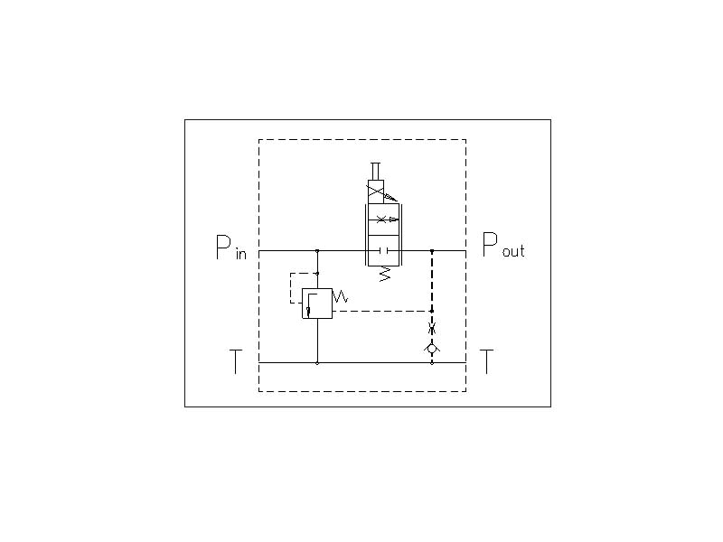
Предпазно-преливен клапан с пилотно пропроционално управление,нормално отворен. |
RVP10 | 60 | 350 |
|
||
Предпазен клапан с директно пропроционално управление |
RVPB06 | 2 | 350 |
|
||
Предпазен клапан с директно пропроционално управление |
RVPB06P | 2 | 350 |
|
||
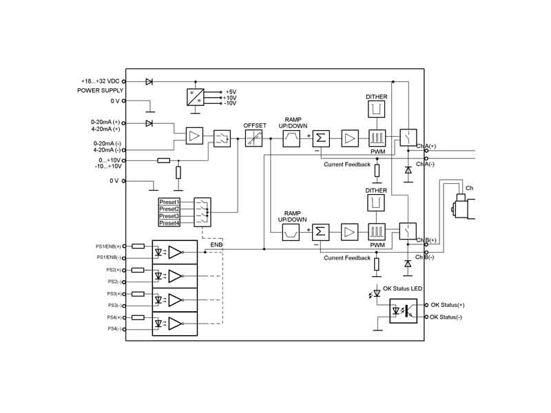
Дигитален усливател за управление на пропорционални клапани с 1 магнит. |
EDAR 1211-1 |
|
||||
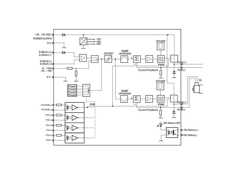
Дигитален усливател за управление на пропорционални клапани с 2 магнита. |
EDAR 1211-2 |
|