| Снимка |
Схема |
Описание |
Код |
Qnom (l/min) |
Pmax (bar) |
PDF |
 |
 |
Групов каталог
|
|
|
|
|
 |
 |
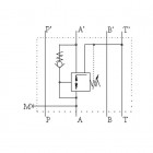
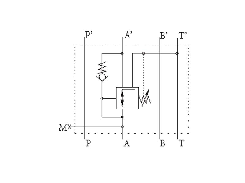
Клапан предпазен с пилотно управление за модулен монтаж CETOP3(NG6)
|
KP6M/... |
20 (Δp=2,5 bar) |
100/200/320 |
|
 |
 |
Клапан предпазен с пилотно управление за модулен монтаж CETOP5(NG10)
|
KP10M/... |
20 (Δp=2,5 bar) |
100/200/320 |
|
 |
 |
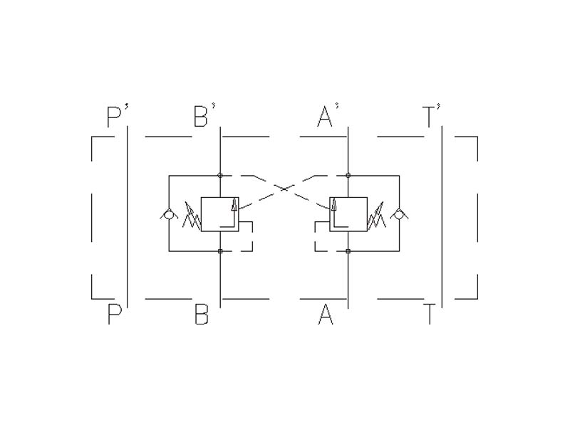
Клапан редукционен трупътен за модулен монтаж CETOP3(NG6)
|
KRT6M/... |
20 (Δp=2,5 bar) |
16/100/210 |
|
 |
 |
Клапан редукционен двупътен за модулен монтаж CETOP5(NG10)
|
KR10M/...P |
40 (Δp=2,5 bar) |
100/200/320 |
|
 |
 |
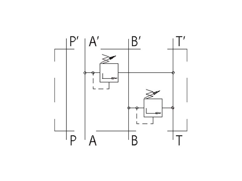
Клапан обратен за модулен монтаж CETOP3(NG6)
|
KО6M/32... |
30 (Δp=5 bar) |
320 |
|
 |
 |
Клапан обратен за модулен монтаж CETOP5(NG10)
|
KО10M/32... |
40 (Δp=5 bar) |
320 |
|
 |
 |
Клапан обратен с хидравлично управленеие за модулен монтаж CETOP3(NG06)
|
KОHU6M/32-... |
20 (Δp=2,5 bar) |
320 |
|
 |
 |
Клапан обратен с хидравлично управленеие за модулен монтаж CETOP5(NG10)
|
KОHU10M/32-... |
40 (Δp=2,5 bar) |
320 |
|
 |
 |
Клапан подпорен тип "Overcenter" с пилотно управление за модулен монтаж CETOP3(NG6)
|
OWC6M/25... |
20 (Δp=2,5 bar) |
250 |
|
 |
 |
Клапан подпорен тип "Overcenter" с пилотно управление за модулен монтаж CETOP5(NG10)
|
OWC10M/25... |
80 (Δp=2,5 bar) |
250 |
|
 |
 |
Регулируем дросел с обратен клапан за модулен монтаж CETOP3(NG6)
|
DROK6M/32-... |
20 (Δp=3,5 bar) |
320 |
|
 |
 |
Регулируем дросел с обратен клапан за модулен монтаж CETOP5(NG10)
|
DROK10M/32-... |
40 (Δp=2,5 bar) |
320 |
|
 |
 |
Регулируем дросел за модулен монтаж CETOP3(NG06)
|
DR6M/32... |
20 (Δp=2,5 bar) |
320 |
|
 |
 |
Регулируем дросел за модулен монтаж CETOP5(NG10)
|
DR10M/32... |
40 (Δp=2,5 bar) |
320 |
|
 |
 |
Регулатор на дебит двупътен двупътен за модулен монтаж CETOP3(NG6)
|
RD6/2M... |
10 (Δp=2,5 bar) |
320(250 with solenoid valves) |
|