Fax:+359 431 62 230 ; +359 431 63 134 | Pic | Shema | Description | Code |
Qnom (l/min) |
Pmax (bar) |
|
![]() |
|
Group catalogue |
![]() |
|||
![]() |
![]() |
Directional control valves with proportional solenoid operation without feedback
|
RHP06...-07-F... | 7 | 315 |
![]() |
![]() |
![]() |
Directional control valves with proportional solenoid operation without feedback |
RHP10...-...-F... | 38/54 | 315 |
![]() |
![]() |
![]() |
Proportional flow regulator 3-way stackable without feedback.Used for SVM06...
|
FRTP06... | 25 | 210 |
![]() |
![]() |
![]() |
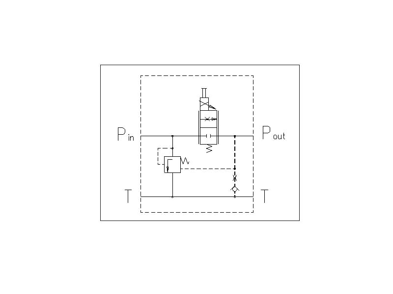
Proportional pilot operated pressure relief valve,normally open |
RVP10 | 60 | 350 |
![]() |
![]() |
![]() |
Proportional direct operated pressure relief valve |
RVPB06 | 2 | 350 |
![]() |
![]() |
![]() |
Proportional direct operated pressure relief valve |
RVPB06P | 2 | 350 |
![]() |
![]() |
![]() |
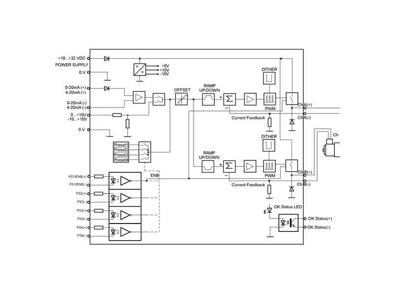
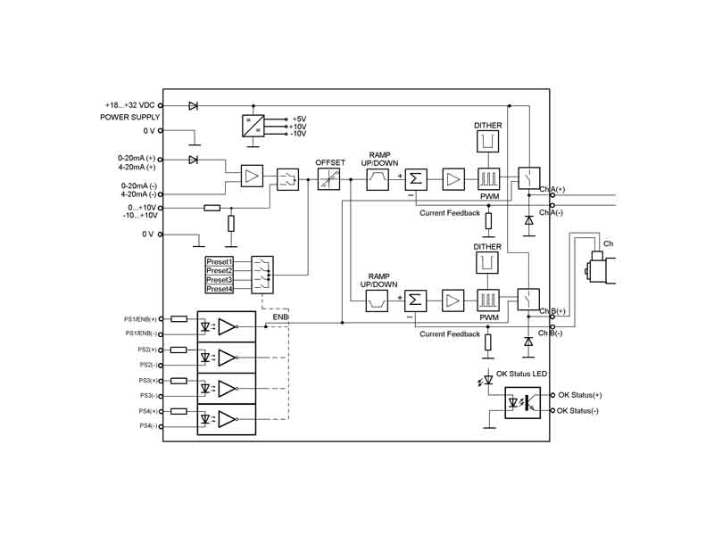
Digital amplifer for proportional valves.
|
EDAR 1211-1 |
![]() |
||
![]() |
![]() |
Digital amplifer for proportional valves. |
EDAR 1211-2 |
![]() |